info@mehprivod.ru
ООО Мехтехника
Тел.: 8 (800) 505-36-88

Червячные мотор-редукторы МЧ2-160

Червячные мотор-редукторы МЧ2-160

Мотор редуктор МЧ 2-160 (далее мотор-редукторы) эксплуатируется в качестве привода общемашиностроительного применения. Данный тип приводного оборудования используется в условиях питания от сети переменного тока (частота 50Гц/ 60Гц, напряжение - 220В/380В), по согласованию с заказчиком возможен широкий диапазон других стандартных напряжений. От той или иной модификации мотор-редуктора зависит показатель номинального передаточного числа, межосевое расстояние, процент КПД и другие аспекты, подробнее о которых Вы можете узнать, связавшись с нашими консультантами. В целях охлаждения на конце входного вала располагается вентилятор, защищенный кожухом, крепящимся к корпусу посредством двух болтов.

Цена: от 26 500 руб.

Базовые условия использования мотор-редукторов:

  • нагрузка постоянная/переменная (в рамках номинального крутящего момента)
  • вращение вала выполняется в любую сторону
  • климатические варианты исполнения: У3 и Т2 согласно нормативам ГОСТ 15150-69 в условиях работы на высоте над уровнем моря < 1000 м., допускается работа устройств на высоте > 1000 м. над уровнем моря при соблюдении ГОСТ 183-74
  • характеристики внешней среды: неагрессивная и невзрывоопасная, содержание непроводящей пыли < 10мг/м3

Общее описание:

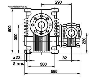
Габаритные и присоединительные размеры мотор-редукторов МЧ2-160 Габаритные и присоединительные размеры мотор-редукторов МЧ2-160

РИС.1 Габаритные и присоединительные размеры мотор-редукторов МЧ2-160

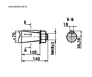
Исполнения выходного вала мотор-редукторов МЧ2-160 Исполнения выходного вала мотор-редукторов МЧ2-160

РИС.2 Исполнения выходного вала мотор-редукторов МЧ2-160

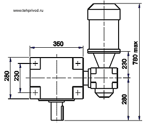
Схемы сборки мотор-редукторов МЧ2-160

РИС.3 Схемы сборки мотор-редукторов МЧ2-160

Вариант сборки червячных пар мотор-редукторов МЧ2-160

РИС.4 Вариант сборки червячных пар мотор-редукторов МЧ2-160

Технические характеристики мотор-редукторов МЧ2-160

ПАРАМЕТР

ПЕРЕДАТОЧНОЕ ЧИСЛО ОБЩЕЕ

100

125

160

200

250

400

630

1000

1600

2500

4000

Номинальный крутящий момент на выходном валу, Н.м при ПВ>63%

1440

1970

1670

1710

1750

1985

2090

2210

2315

2055

1350

при ПВ<63%

1800

2465

2090

2140

2190

2480

2610

2760

2895

2570

1690

при ПВ=40%

1800

2465

2090

2140

2190

2480

2610

2760

2895

2570

1690

при ПВ=25%

2160

2525

2508

2570

2630

2980

3130

3310

3470

3085

2030

при ПВ=16%

2160

2525

3170

3210

3285

3720

3600

3750

4180

3855

2535

КПД, %s
при ПВ>63%

77

74

73

68

65

60

55

50

35

30

22

Термическая мощность, кВт
при ПВ>63%

3,15

3,15

3,15

3,47

2,90

2,90

2,05

1,24

1,09

0,92

0,92

Тип электродвигателя серии АИР

100L4

100L4

100L4

100L4

100S4

90L4

80B4

80A4

80A4

71B4

71A4

Мощность эл./дв, [кВт]

4,0

4,0

4,0

4,0

3,0

2.2

1.5

1,1

1,1

0,75

0,55

Номинальная частота вращения выходного вала, об/мин

14,0

11,2

8,8

7,0

5,6

3,5

2,2

1,4

0,88

0,56

0,35

ПРИМЕР УСЛОВНОГО ОБОЗНАЧЕНИЯ В ЗАКАЗЕ:

Мотор-редуктор МЧ2-160-250-6-12-21-Ц-У2, что означает:

МЧ2 – мотор-редуктор червячный двухступенчатый
160 – межосевое расстояние, мм
250 – номинальное передаточное число
6 – номинальная частота вращения выходного вала, об/мин
12 – вариант сборки
Ц – исполнение с цилиндрическим выходным валом
У – климатическое исполнение
2 – категория размещения